Table of Contents
Code and Implication of the AC Contactor

Introduction to the AC contactor
The ZHIMING brand of the CJ19 series AC contactor is specially designed for switching shunt capacitors in low-voltage reactive power compensation systems. It operates reliably in AC 50/60Hz networks with rated voltages up to 690V. This AC contactor series is widely applied in power distribution systems, capacitor banks, and automatic power factor correction devices.
Key Features & Advantages of the AC contactor
- Optimized for Capacitor Switching: Built-in design ensures safe and stable switching of capacitive loads, reducing stress on the network.
- Surge Suppression (optional): When equipped with a surge suppression module, it effectively controls inrush current during closing and suppresses overvoltage during disconnection, prolonging the lifespan of the capacitor and system.
- High Electrical Endurance: Designed for frequent operations, the contactor delivers consistent performance under industrial conditions.
- Compact & Easy Installation: Modular structure supports fast installation and integration into compensation cabinets or control panels.
- Reliable Performance: Manufactured according to international standards (IEC/GB), ensuring compatibility and safety.
Normal Operating and Installation Conditions of the AC contactor
- Ambient Temperature: –5°C to +40°C; daily average not exceeding +35°C.
- Altitude: Installation site should not exceed 2000 meters above sea level.
- Ambient Humidity: At +40°C, the relative humidity should not exceed 50%.
- Higher relative humidity is permitted at lower temperatures.
- During the most humid month, the average maximum temperature should not exceed +25°C, and the average maximum relative humidity in that month should not exceed 90%.
- Occasional condensation due to temperature fluctuations is considered.
- Pollution Degree: Class 3 (in accordance with IEC standards).
- Installation Category: Class III.
- Mounting Requirements: The inclination of the mounting surface shall not exceed ±5°.
- The installation site shall be free from strong mechanical vibrations, shocks, or significant impact.
Compliance Standards of the AC contactor
IEC 61869 – Instrument transformers standard
Technical Parameter of the AC contactor
Model Selection Guide – CJ19 Series Capacitor Switching Contactors
| Model | Rated Current (A) | Rated Voltage (V) | Capacitor Capacity (kvar) | Typical Application |
|---|---|---|---|---|
| CJ19-25 | 25 A | 380 / 400 V | 5 ~ 10 kvar | Small APFC units, single capacitor switching |
| CJ19-32 | 32 A | 380 / 400 V | 10 ~ 15 kvar | Distribution boxes, small industrial systems |
| CJ19-43 | 43 A | 400 / 415 V | 15 ~ 20 kvar | Reactive power compensation cabinets |
| CJ19-63 | 63 A | 400 / 415 V | 20 ~ 30 kvar | Multi-stage capacitor banks |
| CJ19-85 | 85 A | 400 / 415 V | 30 ~ 40 kvar | Medium-sized power factor correction systems |
| CJ19-95 | 95 A | 400 / 415 V | 40 ~ 50 kvar | Industrial APFC cabinets, modular designs |
| CJ19-115 | 115 A | 400 / 690 V | 50 ~ 60 kvar | Heavy-duty load compensation |
| CJ19-150 | 150 A | 400 / 690 V | 60 ~ 75 kvar | High-capacity capacitor banks |
| CJ19-170 | 170 A | 400 / 690 V | 75 ~ 100 kvar | Centralized compensation in factories |
Note: Actual capacitor capacity may vary depending on voltage level and harmonic conditions.
For harmonic-rich environments, anti-harmonic reactors or detuned reactors are recommended.
Specification & Dimensions of the AC contactor


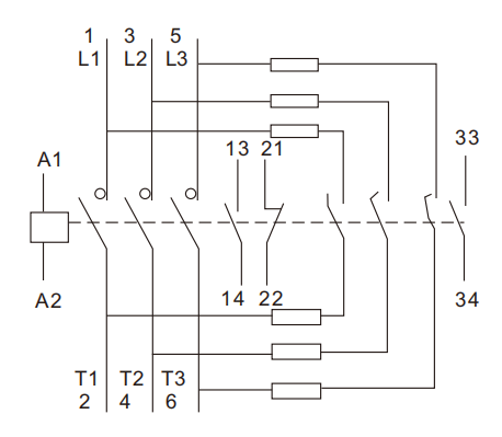
Wiring Diagram of the AC contactor






