General
A light control transformer is widely used in the control power supply of general electrical appliances , electronics industry , industrial and mining, machine tools and mechanical equipment, and the power supply for safety lighting indicators for 50-60Hz AC circuit.
The primary and secondary components are unwound. When the secondary has only one winding, it bears the entire rated capacity of the transformer. If the secondary has control, illumination and indicator windings, will have each capacity, The intermediate tap capacity is less than the rated capacity of the transformer, and only the highest voltage output can bear the rated capacity.
Normal Working Conditions
1.Air temperature-50°C to +40°, 24 hours average value not exceeds +35°C
2.Installation location elevation not over 2000m;
3.Humidity not over 50% when air temperature is +40°C , if the lower temperature can have higher humidity.
In the wettest month, the average biggest humidity is 90% , at the same time the average lowest temperature is +25°C.
Model

Main Technical Data

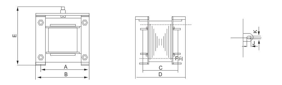
External And Installation Size








